-
Entré plan
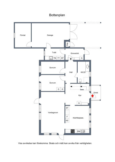
Entréplan välkomnar med en stor och rymlig hall med goda avhängningsmöjligheter. Härifrån nås både husets övriga delar samt tvättstuga och garage, vilket skapar en praktisk och smidig vardag. På entréplan finns två rymliga sovrum, ett badrum samt kök. Det stora vardagsrummet erbjuder gott om plats för umgänge och har utgång till uterum och vidare till bakgården, vilket ger en fin koppling mellan inne- och utemiljö.
Övre plan
En trappa upp möts du av en stor öppen yta som lämpar sig väl som allrum eller flexibel sällskapsyta. Här finns två något mindre sovrum, ett större sovrum samt ett badrum. Från det större sovrummet nås även en balkong – en trevlig plats för avkoppling.
-
Kortfakta
TypFriliggande villaFast.beteckningSörmjöle 2:130AdressVallstigen 9Postadress905 83 UmeåOmrådeSörmjöleKommunUmeåBo & biarea162 + 24 m² (taxeringsinformation)Antal rum6 rum och kök, varav 5 sovrumTomtarea962 m²Byggnad
Byggnadstyp2-plansvillaByggnadsår1981FasadTegelStommeTräFönster3-glas + 2-glasTakTegelGrundBetongplattaUppvärmningBergvärmeVatten/avloppKommunalt vatten året om. Kommunalt avloppVentilationMekanisk (endast frånluft)TV- och internetanslutning
Bredband: Fiber indraget.Driftskostnader
Hushållsel13 201 kr/årVatten/avlopp8 508 kr/årRenhållning2 886 kr/årSumma24 595 kr/år(fastighetsavgift/skatt på 10 425 kr tillkommer)Elförbrukning: 11000,8 kWh senaste 12 månaderna. Kostnaden är beräknad på 1,20 kr per kWh. (Elförbrukningen inkluderar kostnaden för uppvärmning) (Huvudsäkring: 25 A) Vatten/Spillvatten beräknad årsförbrukning: 60 m3 beräknad årskostnad: 7672kr Dagvatten Beräknad årskostnad: 836kr Hushållsavfall Beräknad årskostnad: 2886krEnergideklaration
StatusUtförd (2026-01-23)Primärtenergital83 kWh/m²/årEnergiklassCFörsäkring
Bostaden är fullvärdesförsäkrad.Ekonomi
Taxeringsvärde2 322 000 krTaxeringsår2024Värdeår1981Byggnadsvärde1 856 000 krMarkvärde466 000 krSkatt/avgift10 425 krTypkod220, Småhusenhet, bebyggdPantbrev
Totalt 8 st pantbrev om 1 942 500 kr.Inskrivningar / Planbestämmelser
PlanbestämmelserByggnadsplan (1979-12-18) -
Är du intresserad av denna bostad?
Fyll i formuläret nedan så återkommer vi till dig med mer information. -
Om området
Sörmjöle är en tätort i Umeå kommun, belägen vid Norrlandskusten vid E4 drygt 2 mil söder om Umeå. Botniabanan passerar samhället, dock utan station.
För 15 000 år sedan låg dagens Sörmjöle under kilometertjock is. Under de kommande millennierna blev klimatet gradvis mildare och isen smälte. Omkring 7 600 år före Kristus hade isen smält så pass att glaciärens kant låg vid Sörmjöle-trakten. Åtminstone från mitten av bronsåldern lär människor ha befolkat bygden, vilket stenrösena i Åheden vittnar om[4].
Genom byn flyter Sörmjöleån.
Sörmjöle är en tätort i Umeå kommun, belägen vid Norrlandskusten, drygt 2 mil söder om Umeå. Ett lugnt, naturnära område som erbjuder vackra vyer och rogivande natur. Här finns det stora möjligheter till olika aktiviteter, både sommar och vintertid och för dig som pendlar till Umeå för skola eller arbete, tar dig smidigt in med bussen på endast 30 minuter.
Här finns det stora möjligheter till aktivitet för både stora och små, gräs- och grusplan för fotboll, stor isbana och flera aktiva föreningar. Här finns också flera barnvänliga badstränder som kan nyttjas på sommarens soliga dagar. Vid Sörmjöle Havsbad finns förutom en mycket fin badstrand, även tennisplan och båthamn med gästplatser.
På vintern finns det närhet till skoterleder för en tur med skotern och elljusspår för dig som vill ut på en härlig tur med längdskidorna.
Sörmjöle
Vallstigen 9
Visningar
Välplanerad tvåplanavilla i omtyckta Sörmjöle
Välkommen till Vallstigen 9 i charmiga Sörmjöle – en rymlig och funktionell tvåplansvilla med gott om plats för den stora familjen. Fastigheten Sörmjöle 2:130 erbjuder ett boende där ytorna är väl fördelade och där både vardag och umgänge får ta plats.Villan disponeras över två plan och rymmer hela fem sovrum, vilket ger fina möjligheter för barnfamiljen, hemmakontor eller gästrum. Här finns även två badrum som förenklar vardagen, samt ett kök med goda arbetsytor och ett vardagsrum som bjuder in till sociala stunder med familj och vänner.
Tomten om 962 kvm erbjuder generösa utomhusytor med plats för lek, odling och avkoppling. Här finns möjlighet att skapa en trivsam utemiljö som passar just dina behov, oavsett om du drömmer om uteplats, trädgård eller extra förvaringslösningar.
Sörmjöle är ett uppskattat och lugnt bostadsområde med närhet till naturen, samtidigt som Umeå nås smidigt. Ett perfekt läge för dig som söker ett harmoniskt boende med goda pendlingsmöjligheter.
Varmt välkommen att upptäcka ett hem med plats att växa i!
Välplanerad tvåplanavilla i omtyckta Sörmjöle
Välkommen till Vallstigen 9 i charmiga Sörmjöle – en rymlig och funktionell tvåplansvilla med gott om plats för den stora familjen. Fastigheten Sörmjöle 2:130 erbjuder ett boende där ytorna är väl fördelade och där både vardag och umgänge får ta plats.
Villan disponeras över två plan och rymmer hela fem sovrum, vilket ger fina möjligheter för barnfamiljen, hemmakontor eller gästrum. Här finns även två badrum som förenklar vardagen, samt ett kök med goda arbetsytor och ett vardagsrum som bjuder in till sociala stunder med familj och vänner.
Tomten om 962 kvm erbjuder generösa utomhusytor med plats för lek, odling och avkoppling. Här finns möjlighet att skapa en trivsam utemiljö som passar just dina behov, oavsett om du drömmer om uteplats, trädgård eller extra förvaringslösningar.
Sörmjöle är ett uppskattat och lugnt bostadsområde med närhet till naturen, samtidigt som Umeå nås smidigt. Ett perfekt läge för dig som söker ett harmoniskt boende med goda pendlingsmöjligheter.
Varmt välkommen att upptäcka ett hem med plats att växa i!
